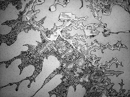
Máme tři základní typy slz - bazální, reflexní a psychické. Ty se liší molekulami. Tak třeba ty psychické obsahují hormony na bázi bílkovin, které působí jako přírodní lék proti bolesti. Podívejte se na různé typy slz a jejich krystalizace. Slzy se stejným chemickým složením mohou pod mikroskopem vypadat úplně jinak.
1. Slzy radosti

2. Slzy z pohybu

3. Slzy naděje

4. Slzy uvolnění

5. Konec něčeho starého nebo začátek něčeho nového

6. Setkání po dlouhé době

7. Smutek

8. Životní změna

9. Smích

10. Krájení cibule

11. Vzpomínky

A chcete vědět, jak to udělat, abyste slzeli třeba modře? Koukněte SEM.